• EJ Series
  • EJ Series
  • EJ Series

EJ Series

・EJ 由100%高品质聚丙烯制成,无任何化学物质或着色剂等释出。

・原料材质符合FDA规范,可应用于食品、饮料、饮用水和高纯度化学品的过滤。

・可选用PP 聚丙烯材质安装支架和板手。

・适用于标准 10" 双开口或 M10 滤心。

・表面光滑设计,便于安装和维护。
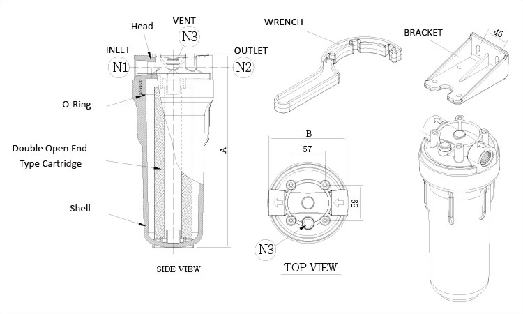
型号 : EJ

材料结构

头盖:强化聚丙烯(蓝色)

桶身:苯乙烯丙烯腈(透明), PP聚丙烯(蓝色)

吊架、螺丝(可选用):PP聚丙烯(黑色)

把手(可选用):PP聚丙烯(黑色)

桶身密封圈:标准-Buna-N

                      可选用-EPDM、Viton


最大操作压力 


EJ-P : 150 psig (10 bar) @ 77°F (25°C) 用于液体过滤。
・EJ-C : 100 psig (7 bar) @ 77°F (25°C) 用于液体过滤。
 

接口尺寸

/出水口:3/4" PT或 3/4" NPT

Model
Max. Liquid Flow Rate
gpm (lpm)

Dimension
Inch (mm)

Weight
lbs (kg)
A B N1 N2 N3
EJ10P-3/4
10 (37.9lpm)
12.7"(324)
5.2"(131)
3/4"
3/4"
Push Button
2.5lbs (1.15kg)
EJ10C-3/4
10 (37.9lpm)
12.7"(324)
5.2"(131)
3/4"
3/4"
Push Button
2.8lbs (1.27kg)






相关产品

Top-Flow Series

Top-Flow Series

FJ Series

FJ Series

DJ-P Series

DJ-P Series

Top-Flow 334 Series

Top-Flow 334 Series