• FJ Series
  • FJ Series

FJ Series

・FJ 由100%高品质聚丙烯制成,无任何化学物质或着色剂等释出。

・桶身呈透明便于确认滤心和过滤器状况。

・原料材质符合FDA规范,可应用于食品、饮料、工业用和高纯度化学品的过滤。

・可选用PP 聚丙烯材质安装支架和板手。

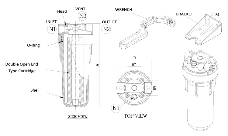
・适用于标准 10" 双开口或 M10 滤心。

・表面光滑设计,便于安装和维护。
型号 : FJ

材料结构

头盖:高纯度PP聚丙烯

桶身:高纯度PP聚丙烯

吊架、螺丝(可选用):PP聚丙烯(黑色)、304不锈钢

把手(可选用):PP聚丙烯(黑色)

桶身密封圈:标准 -Viton

                      可选用 -Buna-N、EPDM 




最大操作压力 


150 psig (10 bar) @77°F (25℃) 用于液体过滤。 

92 psig (6.3 bar) @122°F (50℃) 用于液体过滤。


 RoSH,FDA, Halal Certificated 

 


接口尺寸 

/出水口:3/4" NPT或 3/4" PT


Model
Max. Liquid Flow Rate
gpm (lpm)

Dimension
Inch (mm)

Weight
lbs (kg)
A B N1 N2 N3
FJ10P-3/4
10(37.9lpm)
12.7"(324)
5.2"(131)
3/4"
3/4"
1/4"
2.3lbs (1.05kg)





相关产品

Top-Flow Series

Top-Flow Series

Top-Flow 334 Series

Top-Flow 334 Series

DJ-P Series

DJ-P Series

EJ Series

EJ Series